Comenzi si informatii la tel: +40774973409 sau whatsapp: +40774973409 de Luni-Vineri intre orele 08:30 - 17:00

Vândut
8 % reducere

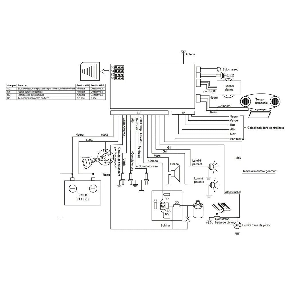
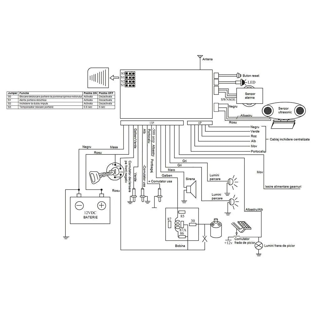
Alarma auto cu 2 telecomenzi si modul inchidere centralizata (fara actuatori)(include taxa de timbru verde)


Preț de vânzare 212,29 lei Preț obișnuit 231,82 lei


Contact

Madalina Tel./WhatUpp: 40 774 973 409

Transport și livrare

Retur sau Garanție

Pentru a returna un produs completeaza Formularul de Retur si trimite email la adresa retur@razvangarage.ro. Termeni și condiții de returnare consultă aici.

Pentru a trimite in Garantie un produs completeaza Formularul de Retur plus documentele necesare (dupa caz) consultand Certificatul de Garantie si trimite email la adresa retur@razvangarage.ro

Ulterior te va contacta un consultant pentru ambalarea si expedierea produsului.

Pentru informatii suplimentare ne poti contacta la numarul de telefon: +40774973409

Solicită publicare SEAP

În vederea publicării produsului pe SEAP solicită ofertă la adresa de email: razvan@razvangarage.ro sau telefonic la: +40743944541.

Descriere

Detalii tehnice

Identificare produs
Producator PNI
Cod produs PNI-OV288
Caracteristici generale
Armare/Dezarmare Da
Armare silentioasa Da
Localizare vehicul Da
Senzor de soc/vibratii Da
Temperatura de operare -26?C ~ +60?C
Intensitate sonora sirena 105dB @ 15W
Pachetul contine
Telecomenzi 2 bucati
Centrala alarma Da
Senzor de soc Da, 1 buc.
Sirena cu 6 tonuri Da, 1 buc.
Releu oprire motor Da, 1 buc.
Manual instalare si utilizare Da

Armare silentioasa

Alarma auto cu 2 telecomenzi si modul inchidere centralizata (fara actuatori)(include taxa de timbru verde)

?

Sistemul de alarma are o functie speciala de armare silentioasa, care opreste sirena (105dB) in caz de alarmare, foarte utila in momentele cand nu doriti sa fiti deranjat de alarme false cauzate de tunete, zgomote puternice, animale, sau alti factori similari. In acest caz alarmarea se face doar luminos prin intermediul luminilor de semnalizare.
Sistemul este prevazut cu 2 telecomenzi identice cu aceleasi functii, ce pot fi atasate la cele 2 chei ale masinii. In acest fel aveti tot timpul o solutie de rezerva pentru a deschide masina si opri alarma daca rataciti sau pierdeti setul principal de chei/telecomanda.

2 Telecomenzi

telecomenzi

?

Deschidere portbagaj

Alarma auto cu 2 telecomenzi si modul inchidere centralizata (fara actuatori)(include taxa de timbru verde)

?

O mare parte din autoturisme sunt prevazute cu deschidere portbagaj din buton, ca si dotare de confort. Prin intermediul acestui sistem de alarma functia poate fi preluata si actionata direct de pe cele 2 telecomezi, fara a mai fi nevoie sa deschideti masina si sa actionati butonul de pe bord.
Sistemul de alarma PNI OV288 vine in ajutorul soferilor care uita unde au lasat masina, in cadrul unei parcari de mari dimensiuni. Functia de localizare masina odata activata din telecomanda, activeaza emiterea unui semnal sonor de catre sirena alarmei, semnal ce va va ajuta sa localizati mult mai usor autoturismul.

Localizare masina

Alarma auto cu 2 telecomenzi si modul inchidere centralizata (fara actuatori)(include taxa de timbru verde)

Senzor soc

Alarma auto cu 2 telecomenzi si modul inchidere centralizata (fara actuatori)(include taxa de timbru verde)

Masina dumneavoastra este protejata de acest senzor special cu sensibilitate reglabila, de eventuale socuri mecanice, lovituri, fortari, actiuni pe care le detecteaza si le raporteaza prin intermediul semnalelor luminoase si acustice. Astfel masina va atrage atentia persoanelor din jur si nu numai ca a fost supusa unui soc si/sau unei posibile tentative de spargere.

Plată și securitate

Modalități de plată

  • American Express
  • Apple Pay
  • Google Pay
  • Maestro
  • Mastercard
  • Shop Pay
  • Union Pay
  • Visa

Informațiile dvs. de plată sunt procesate în siguranță. Nu stocăm detaliile cardului de credit și nu avem acces la informațiile cardului dvs. de credit.